株式会社 水本機械製作所 ステンレスチェーン・金具・ジョイント・メーカー

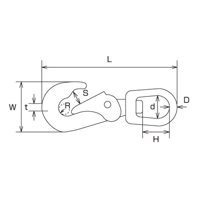
黄銅スイベルスナップ

品番:BRF

アイの部分が回転するので連結した時にからみません。ワンタッチで開くので手軽にジョイントできます。チェーン・ワイヤー・ロープ等の連結金具として、また端末の金具のジョイントに。

サイズ表