株式会社 水本機械製作所 ステンレスチェーン・金具・ジョイント・メーカー

コの字ボルト

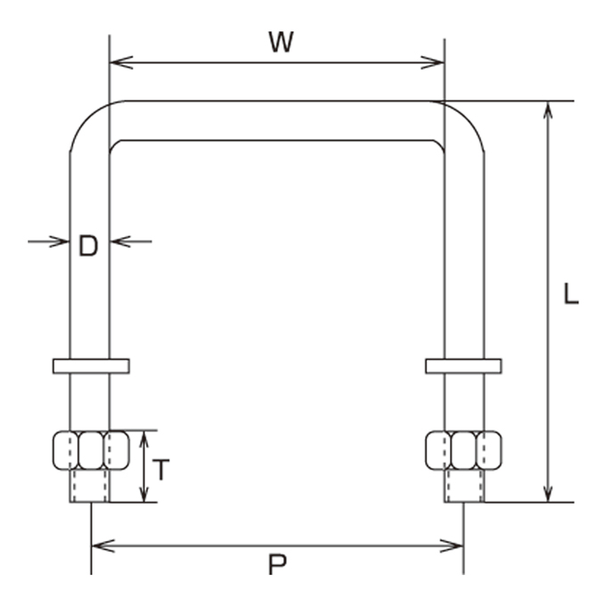
品番:KB

ステンレス製でさびにくく、耐久性に優れます。2つの穴のある鋼板等に落としこむ事で、引き上げ用の取手として使用できます。

サイズ表

※六角ナット・丸ワッシャー各2個付き
※上記以外のサイズも受注生産致します。ご照会ください。